故障描述
客户描述故障为手电筒不能打开,摄像头不能使用。
维修过程
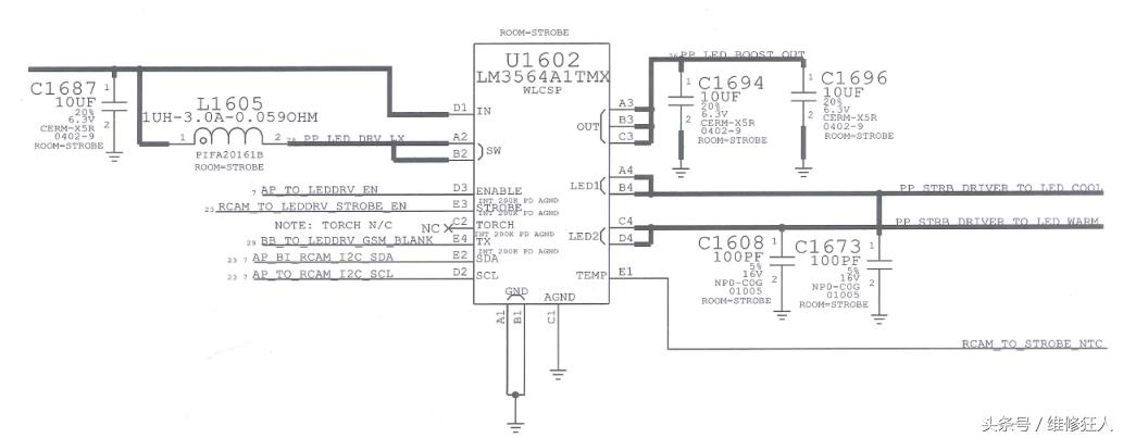
此类故障一般是因为闪光灯损坏导致摄像头不能使用,所以直接检修闪光灯。先要测量闪光灯供电是否正常。查电路图找到闪光灯供电由U1602输出,如图所示。U1602实物位置如图所示。
经测量闪光灯供电芯片U1602的工作电压正常,通过分析U1602电路图得知闪光灯供电芯片U1602工作需要通过I²C总线控制。直接拆掉闪光灯供电芯片U1602之后测量E2脚、D2脚I²C总线焊盘对地三极体值,发现E2与D2脚对地二极体值无穷大,说明闪光灯供电芯片的I'C总线断线。此总线还连接到后置摄像头座子,在后置摄像头座子测量对地二极体值为正常值,判断闪光灯供电芯片U1602焊盘的板层断线,接从后置摄像头连接座飞线到闪光灯供电芯片U1602焊盘上,再将U1602芯片装上,如图所示。




把机器安装好,开机进入系统测试闪光灯与照相功能正常,手机修复。
【文章原创作者:建湖网页开发公司 http://www.1234xp.com/jianhu.html 欢迎留下您的宝贵建议】郑重声明:本文由网友发布,不代表盛行IT的观点,版权归原作者所有,仅为传播更多信息之目的,如有侵权请联系,我们将第一时间修改或删除,多谢。